HİDROLİK KLEMPLER

Pnömatik sistemlerin yetersiz kaldığı ve daha fazla kuvvete ihtiyaç duyulan sistemlerde hidrolik güce başvurulur.Fakat bazı istisnai durumlarda hidrolik kuvvet istenmeyebilir.Gıda ve tekstil sektörleri buna örnek verilebilir. Bu tip istisnai durumlar dışında hidrolik, bize her zaman istediğimiz gücü sağlamıştır. İşte bu kuvvet eldesinin en küçük hareket elemenları diyebileceğimiz ürünler de hidrolik klemplerdir.

                                    

                                        

 

 

   Üretimde; kesinti azaltılması,verimliliğin artırılması ve kapasite kullanımının maksimum tutulması önemli bir faktördür.Konumsal doğruluk ve sıkıştırma kuvveti, tekrarlanabilirlilik verimlilik ve kalite artışı için önemli bir katkı sağlayacaktır.Esnek işleme merkezleri üretim döngüsü süreleri azaltmayı amaçlamaktadır.Konumlandırma gibi işlemlerin üretken ve verimli olması için,hareketlerin;hızlı,ileri,düz ve güvenli olması önemlidir.Bu nispeten kısa işlem aralıklarıyla karlı bir seçenektir.Sıkma işlemlerinin yarı otomatik yada tam otomatik olarak ayarlanabilmesi büyük iş parçaları için önemlidir.Hidrolik konumlandırma ve sıkıştırma son derece güvenilir ve verimli bir tekniktir.

 

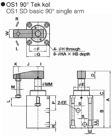
hidtek bünyesinde WINMAN markası olarak OS1,OS2 ve OS4 Klempleri bulundurmaktadır. OS1 ve OS2 Klempler işlevsel olarak aynı özelliklere sahip olmasına rağmen, OS1 klembi OS grubundaki en kuvvetli klempdir. OS1 klempler maksimum çalışma basınçları 140 bar  iken OS2 klemplerin maksimum çalışma basınçları 70 bardır.OS1 klemplerde tek kollu olarak sağa ve sola sönme hareketi yapan tipinin dışında çift kollu tipi de mevcuttur. OS1 Klembi ile WINMAN Kompakt Hidrolik Silindir gövde ölçüleriyle aynıdır. OS2 klembi alandan tasarruf için OS1’e göre daha kısa üretilmiştir. OS2 ürününün flanşı sayesinde civata ile monte edilebilir. OS2 klembinde farklı dizaynlar için üç çeşit giriş portu seçilebilir. OS1 ve 0S2 Klemplerinde dönme hareketinden sonra bir kuvvet elde edilirken OS4 klembinde pistonun ucunda yataklanan bir mile piston tarafından uygulanan bir itme kuvveti ile elde edilen moment sayesinde sıkma işlemi yaptırılmaktadır. OS4 klemp kolu desteği herhangi bir boşluk yapılmayacak şekilde dizayn edilmiştir.OS4 klembinde diğer klemplerde mil alanından kaynaklanan kuvvet kaybıda olmamaktadır.

 

OS1 KLEMBİ TEORİK KUVVETİ

OS2 KLEMBİ TEORİK KUVVETİ

 

OS4 KLEMBİ TEORİK KUVVETİ

 

                                                         Örnek Şekil 1.1                                                                                              Örnek Şekil 1.2

 

                                                                        Örnek Şekil 1.3                                                                                                                                           Örnek Şekil 1.4​