Pnömatik sistemlerde enerji kaynağı olarak kullandığımız basınçlı havanın karakteristik özelliği sebebi ile ortam şartlarından etkilenerek sıkıştırılabilmekte veya genleşebilmektedir.Havanın bu özelliğinden dolayı pnömatik iş elemanlarında yük altında çalışma durumlarında silindirlerin pozisyonlarından kaçırma durumu oluşturmakta ve iş güvenliğini ön plana çıkarmaktadır.Her ne kadar pnömatik ekipmanlarda kilit valfi olsa da bu valfler yine mevcut havayı hapsederek yük altında tutma sağlamaktadırlar.Hid-tek makina olarak önce insan sağlığı ve iş güvenliği bakış açımız ile WINMAN WI-RDLCK serisi mil kitleme sistemini ürün gamıza ilave etmiş bulunmaktayız.WINMAN WI-RDLCK mil kitleme sistemi silindirin milini mekanik olarak kitleme yaparak olası hava kesilmesi durumunda silindirin aşağı düşmesini engellemektedir.Yerli olarak üretimini yapmış olduğumuz WINMAN WI-RDLCK mil kitleme sistemi ISO 15552 serisi serisi Ø32,40,50,63,80,100,125 profil gövdeli silindirlere ve ISO 6432 serisi Ø20-Ø25 mini silindirlere uygulanabilmektedir. Bu sebep ile mevcutta kurulu sistemlerde bağlantı ölçülerini değiştirmeden rahatlıkla uygulanabilir.

Şekil-1:WI-RDLCK Mil Kitleme Sistemi
|
Genel özellikler |
|
|
Çalışma basıncı |
3-6 bar |
|
Sıcaklık |
-5 / +80 C |
|
Ölçü |
Ø20-25-32-40-50-63-80-100-125 |
|
Kitleme şekli |
Mekanik çift yönlü |
|
Kitleme kuvveti |
(Ø20=490N) (Ø25=490N) (Ø32=790N) (Ø40=1240N) |

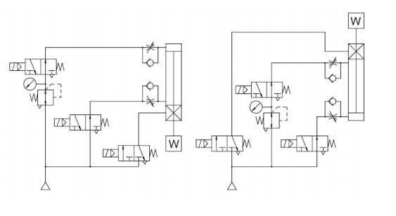
Şekil-2:WI-RDLCK Mil Kitleme Sistemi Sembol

Şekil-3:WI-RDLCK Mil Kitleme Sistemi Devre Şeması
Şekil-3’teki devre şemasından da anlaşılacağı gibi kitleme sistemine pilot hava vererek silindirin hareketi gerçekleştirilir.pilot hava kesildiğinde yük yalnızca WI-RDLCK mil kitleme sistemi tarafından tutulur.
|
Önemli:Mil kitleme sistemi silindirin hareketi sonunda çalışmaktadır. Silindir hareket halinde iken kitleme yapmamaktadır. |
|
Avantajları
|

Şekil-4:WINMAN WALCK SİLİNDİR

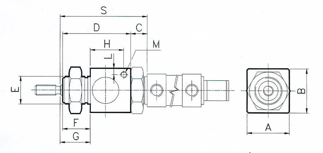
Şekil-5:ISO 6432 Mini Silindir Serisi için WINMAN WI-RDLCK Mil Kitleme Sistemi Teknik Özellikleri

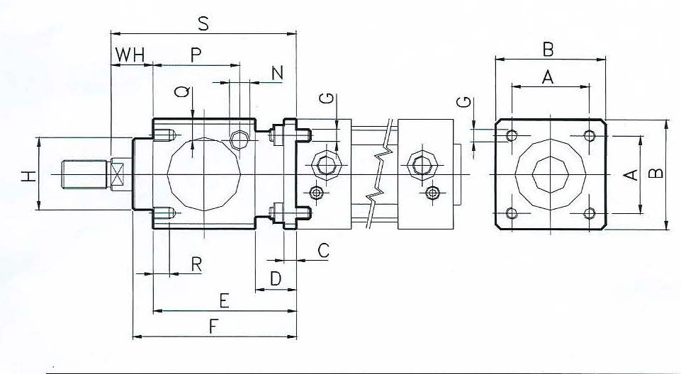
Şekil-6: ISO 15552 Serisi için WINMAN WI-RDLCK Mil Kitleme Sistemi Teknik Özellikleri